Датчик-реле температуры TT ZG71P8-94U-01-P-C-0,9
Войти

Датчик-реле температуры TT ZG71P8-94U-01-P-C-0,9

Датчик-реле температуры TT ZG71P8-94U-01-P-C-0,9

Датчики-реле температуры служат для контроля и управления системами поддержания температуры.

Нередко работа механизмов и протекание процессов зависит от температурных условий. Изменение температуры может стать причиной локальных неполадок и повлиять на весь рабочий процесс.

Замерзание жидкостей в баках может привести к образованию трещин в ёмкости, что сделает её непригодной для дальнейшего использования. Похолодание или перегрев могут повлечь за собой выход оборудования из строя.

С помощью датчиков-реле температуры можно защитить оборудование от разрушительных воздействий пониженной или повышенной температуры.

Принцип работы устройств основан на дрейфе полупроводникового перехода от температуры. Преимущественным отличием датчиков-реле температуры является высокая точность реагирования и стабильность срабатываний. В температурном диапазоне от минус 55°С до минус 35°С типовая ошибка составляет +1°, -2° . В диапазоне от минус 35°С до плюс 125°С - ±1°.

Сигнал к включению и отключению нагревателя подаёт один и тот же датчик, имеющий 2 независимых температурных порога.
Например, при понижении температуры окружающей среды до заданного уровня датчик подаёт сигнал к включению нагревателя. А при возврате температуры к уровню нормы датчик - к его отключению.

Температурные пороги могут быть установлены любыми (в рабочем диапазоне температур), исходя из ваших потребностей для решения задачи. Пороги срабатывания задаются на этапе производства датчика и не меняются в процессе эксплуатации.

Таким образом, оборудование всегда находится в температурных условиях, пригодных для его функционирования.

Задача поддержания температуры в нужном диапазоне востребована в коммунальном хозяйстве, в химической, пищевой, медицинской промышленности, в железнодорожной отрасли, а также при производстве бытовой техники.

Помимо поддержания температуры датчик служит сигнализатором для аварийного отключения устройств (например, насоса и компрессора).

Технические характеристики
Формат, мм 64х136х35
Номиналы порогов включения-выключения
Реле №1 включение +10°C
Реле №1 отключение +14°C
Реле №2 включение +3°C
Реле №2 отключение +7°C
Точность порогов включения и выключения ±1,5°C
Максимальная мощность (коммутируемая каждым из реле)
при напряжении 230В, 50Гц:
- активная 1000 Вт
Максимальное коммутируемое напряжение каждым реле 250 В AC
Максимальный коммутируемый рабочий ток каждым реле ≤5 A
Напряжение питания, Uраб 18...30 В DC
Коэффициент пульсации питающего напряжения ≤15%
Собственная потребляемая мощность, не более 3 Вт
Сопротивление изоляции в НКУ, не менее 10 МОм
Наличие защиты от переполюсовки Есть
Диапазон рабочих температур -45°C...+65°C
Материал корпуса Алюминиевый сплав
Материал погружной части Tekamid 66
Материал головки погружной части Сталь 12Х18Н10Т
Степень защиты по ГОСТ 14254-96 IP68
Присоединение Кабель 6х0,5мм.кв; L=0,9 м
Момент затяжки гаек, не более 40 Нм

Схема подключения

схема подключения Датчики-реле температуры

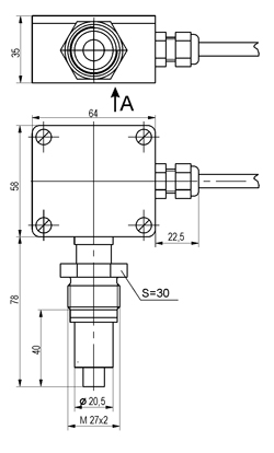
Габаритный чертеж

габаритный чертёж датчика-реле температуры


Датчик-реле температуры TT ZG71P8-94U-01-P-C-0,9
В наличии
шт
13 359 ₽  
Войдите в профиль
Войдите или зарегестрируйтесь
Каталог
Отраслевые решения
Мы используем cookie. Это позволяет улучшить работу сайта, повысить его эффективность и удобство. Продолжая пользоваться сайтом, вы соглашаетесь с использованием файлов cookie и c нашей политикой конфиденциальности.
Согласен