Взрывозащищённый магниточувствительный датчик MS DUG2S-N-C-0,3
Войти

Взрывозащищённый магниточувствительный датчик MS DUG2S-N-C-0,3

 Взрывозащищённый магниточувствительный датчик MS DUG2S-N-C-0,3

Взрывозащищённый магниточувствительный бесконтактный выключатель из нержавеющей стали MS DUG2S-N-C-0,3 служит для контроля уровня жидкостей в ёмкостях. В том числе рекомендован к использованию в контакте с агрессивными и легковоспламеняющимися жидкостями, такими как ацетон, скипидар, керосин, кислоты, щелочи, хлориды, технологические жидкости.

Принцип действия MS DUG2S-N-C-0,3 основан на замыкании контактов геркона, находящегося в штанге выключателя, под действием постоянного магнита, встроенного в поплавок. Изделие обеспечивает замыкание контактов геркона при уровне жидкости ниже или равном контролируемому.

MS DUG2S-N-C-0,3 предназначен для работы в шахтах и рудниках, а также во взрывоопасных условиях в наземных строениях и имеет маркировку взрывозащиты по ГОСТ 30852.0-2002 и ГОСТ Р МЭК 60079-11-2010:PO Ex ia ma I Ma*/ 0 Ex ia ma IIC T6 Ga*.
Для безопасной работы в пожароопасных средах требуется подключение бесконтактного выключателя к связанному электрооборудованию с видом взрывозащиты 0ExiaIICT6 "искробезопасная электрическая цепь" по ГОСТ 12.2.020-76, которое устанавливается во взрывобезопасной зоне. Например, к Блоку сопряжения «ТЕКО».

MS DUG2S-N-C-0,3 может применяться в составе транспортных средств, в химической и фармацевтической промышленности, и в других отраслях, где необходим контроля уровня агрессивных легковоспламеняющихся жидкостей.

Технические характеристики
Тип датчика Герконовый
Материал корпуса 12Х18Н10Т
Диапазон рабочих температур -50°С...+85°С
Присоединение / Подключение Кабель 2х0,34 мм.кв
Степень защиты по ГОСТ 14254-96 IP68
Коммутируемое напряжение 0,1...15,8 В DC
Коммутируемый ток, не более 0,11 А
Коммутируемая мощность, не более 0,166 Вт
Количество рабочих циклов, не менее 5x10^5
Плотность контролируемой жидкости, не менее 750 кг/м³
Плотность жидкости, при которой точность контроля уровня не хуже ± 3 мм 1000 кг/м³
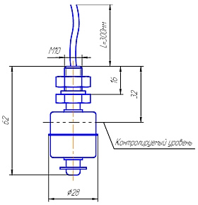
Контролируемый уровень, Sном 32 мм

Габаритный чертеж MS DUG2S-N-C

чертёж взрывобезопасного магниточувствительного бесконтактного выключателя MS DUG2S-N-C-0,3


Войдите в профиль
Войдите или зарегестрируйтесь
Каталог
Отраслевые решения
Мы используем cookie. Это позволяет улучшить работу сайта, повысить его эффективность и удобство. Продолжая пользоваться сайтом, вы соглашаетесь с использованием файлов cookie и c нашей политикой конфиденциальности.
Согласен